News

Intelligent power modules scale up EC motor drive energy efficiency

Jul 10, 2017
23 Views

As manufacturers are compelled to help achieve lofty climate-protection goals and contain rising energy costs, many engineers are focusing on ways to reduce energy consumption when developing new products. Fans, pumps, compressors, air-conditioning units, and the like run continuously, so their potential for energy savings is considerable.

The motors in these applications often operate at partial load. Unfortunately, the classic motor drive performs efficiently only when running at full load. The solution to this dilemma would seem to be intelligent motor drive electronics; however, limited space, environments lacking air circulation, and demanding Electromagnetic Compatibility (EMC) specifications pose daunting challenges for power electronics.

EC motor drive requirements

An Electronic Commutated (EC) motor drive is the best way to maximize the efficiency of these applications. It drives the motor coils with optimum power when running on full or partial load, thus significantly increasing overall energy efficiency. Figure 1 shows a comparison between EC and brushed DC drive efficiency.

21
Figure 1: EC motor drives provide optimum power compared to brushed DC drives.
(Click graphic to zoom by 1.9x)

Implementing an EC motor drive requires several power electronic components. For one, AC line power must be rectified to DC voltage. A Power Factor Correction (PFC) circuit can be used to reduce reactive power and enable remarkably variable input voltages, for example, ranging from 90 VAC to 230 VAC. The next stage, the inverter, generates the voltage necessary to drive the EC motor. This kind of system requires at least a dozen power semiconductors. Conduction and switching losses dictate that they must be cooled by a heat sink. Mapping the circuitry of and assembling various discrete power semiconductors are difficult tasks, especially when dealing with applications where space is a concern.

An elegant way to resolve this issue is by using power modules, which provide all the necessary power semiconductors in one integrated package that mounts directly to the heat sink. Different models are available for rectifier, inverter, and PFC circuits. All components within the module feature low inductive connections to improve performance and tackle EMC problems.

IPM: Multiple power components in one package

Although power modules resolve the main issues associated with electronic motor drives, engineers still need to design the driver circuit, which can prove to be a tricky task and might require going back to layout several times. Enter the Intelligent Power Module (IPM). These modules integrate power semiconductors, including driver circuit components, thus addressing the driver circuit design problem. In the outcome, the power semiconductors are switched with logic-level input voltages.

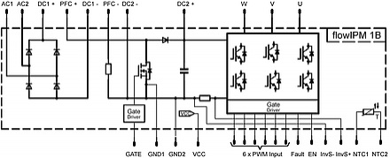
An IPM that integrates the rectifier, PFC, and inverter in a single package is flowIPM 1B from Vincotech. This 72 mm x 36 mm module also contains the entire driver circuit including bootstrap diodes and capacitors, shunt resistors for the PFC and inverter, a thermistor, and a small DC link capacitor (see Figure 2). All these components sit on a ceramic substrate. Featuring a thermal conductivity of 24 W/mK, this ceramic can be mounted directly to the heat sink to ensure all components are cooled to maximum effect. This is a tremendous advantage because power semiconductors’ performance, efficiency, and lifespan depend on good cooling. The same goes for components such as driver circuits and shunt resistors, especially in hermetic environments lacking air circulation.

22
Figure 2: The flowIPM 1B contains an entire driver circuit positioned on a ceramic substrate for maximum cooling.
(Click graphic to zoom by 1.9x)

This IPM contains all power semiconductors and most peripherals required for an EC motor drive application. Only the large passive components and control logic must be mounted separately. Pins are arrayed in two separate lines, one providing power connections and the other routing control signals. This array prevents any crossings of power inputs and outputs (see Figure 3). Equipped with logic-level inputs, the driver circuit can be connected directly to a microcontroller. The module is available in versions with 1 kW and 2 kW maximum output power.

23
Figure 3: Arrayed pins in the flowIPM 1B prevent power inputs and outputs from crossing.
(Click graphic to zoom)

The efficient thermal conductivity between the IPM and heat sink reduces chip temperature, which leads to lower switching and conductions losses. Very short connections between the power semiconductors and driver circuit also help decrease switching times and losses. In addition, integrated DC link capacitors reduce switching of voltage overshot and thus lessen switch-off losses.

Ultra-compact thermally reliable design

The module’s ultra-compact design is more than merely a space-saving feature. A combination of closely connected components and an integrated capacitor for the DC link prevents high-frequency loops. Furthermore, parasitic inductivities are limited to reduce voltage overshoots during switching operations.

Equipped with optionally available press-fit pins, the module is mounted to the PCB without any soldering. An optional pre-applied phase-change material can provide a reliable thermal interconnection between the module and heat sink. It has certified compliance to the UL 1557 semiconductor isolation standard. The heat sink does not need a special shape to keep minimum clearance and creepage distances.

To help accelerate time to market, Vincotech offers a complete evaluation board for the flowIPM 1B (see Figure 4) that provides a complete 1 kW PFC stage, including all passive components and the PFC controller. All engineers have to do is connect it to a motor control board and then create a complete motor drive in just a few steps. Microcontroller vendors furnish motor control boards to help manufacturers assess their products’ motor drive capabilities.

24
Figure 4: The flowIPM 1B evaluation board provides all passive power components and a PFC controller.
(Click graphic to zoom by 1.8x)

The right choice for motor drive applications

While EC motor drives are the best solution for optimizing energy efficiency, they require power electronics that are not easily implemented where space is limited, airflow is lacking, and EMC specifications are demanding. IPMs with integrated power semiconductors are the solution of choice for helping engineers avoid the time-consuming task of designing the driver circuit, thus simplifying product design and speeding time to market.

25
IES in 2D: New inverter trends are requiring more dissipated power to be transferred via the heat sink, driving the need for integrating all power components into one module. Use your smartphone, scan this code, watch a video: http://opsy.st/ntniUf.
(Click graphic to zoom)

Andreas Johannsen is product marketing manager at Vincotech GmbH. He has worked several years in motor drive application development and holds a degree in Computer Science.

Vincotech GmbH +49-89-878067-145 [email protected] www.linkedin.com/pub/andreas-johannsen/1a/588/571 www.vincotech.com

About Blog

Our blog section provides industry news, product reviews, and other relevant information for electronic component enthusiasts and shoppers.

Popular News

Menu